卓越品質 科技創新
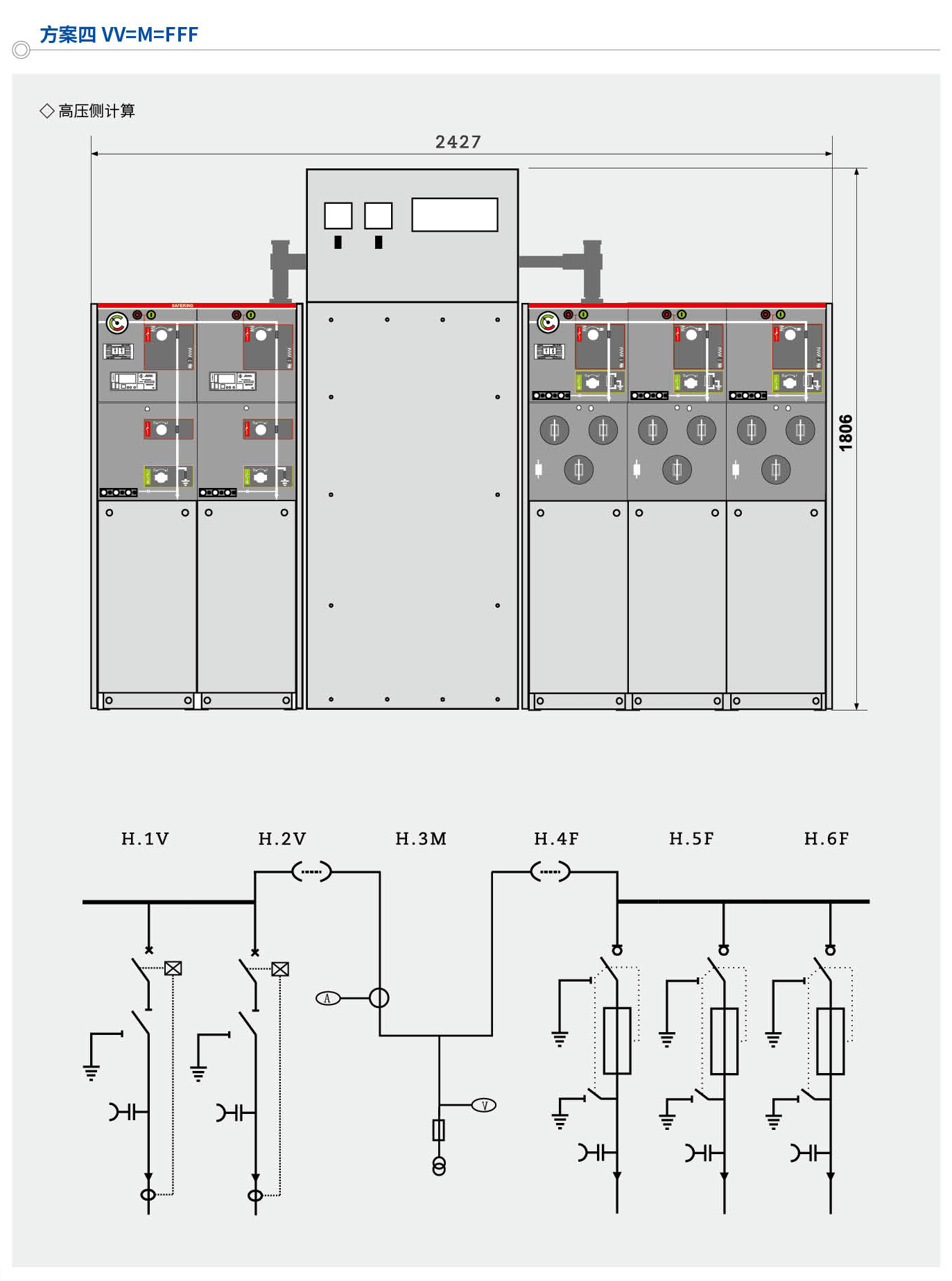
RM6-40.5/630-25全封閉全絕緣充氣式環網開關設備
產品簡介
RM6-40.5/630-25全封閉全絕緣充氣式環網開關設備,廣泛用于35kV/24kV配電系統,是城鄉各類用戶變配電系統的首選開關產品。開關柜為模塊化單元模式,可根據不同用途進行組合:由固定式單元組合與可擴展型單元兩大類,滿足各種變電站對緊湊型開關柜靈活使用的需要。

























